การใช้งานจอแสดงผล Serial LCD (ตอนที่ 1)
1. แนะนำจอแแสดผล LCD แบบ Serial Interface
บทความนี้จะแนะนำจอแสดงผลแบบ LCD ที่มีรูปแบบการส่งสัญญาณควบคุมแบบ Serial Interface ใช้สายสัญญาณในการส่งคำสั่งเพียง 1 เส้นเท่านั้น ซึ่งเป็นข้อดีที่ทำให้การออกแบบระบบง่ายและสามารถเลือกใช้ไมโครคอนโทรลเลอร์ที่เล็กลงได้ หรือประยุกต์ใช้กับไมโครคอนโทรลเลอร์ขนาดเล็กที่มีขาสัญญาณน้อยได้เป็นอย่างดี

จอแสดงผลแบบ Serial LCD นี้ มีชิพไมโครคอนโทรลเลอร์ขนาดเล็กมาพร้อมกับจอแสดงผล สามารถเลือกรูปแบบการอินเตอร์เฟซได้ 3 แบบ คือ Serial (TTL) , I2C และ SPI โดยกำหนดเลือกใช้งานได้ด้วยการบัดกรีจั๊มเปอร์แพดบนแผ่น PCB สำหรับค่าเริ่มต้นที่กำหนดมาจากโรงงานจะเป็นแบบ Serial และมีพารามิเตอร์สำหรับการสื่อสารดังนี้
- Baudrate : 9600 bps
- Data : 8 bit
- Stop bit : 1 bit
- Parity : non
สำหรับรุ่นที่บริษัทนำเข้ามาจำหน่าย จะมีขนาดดังนี้
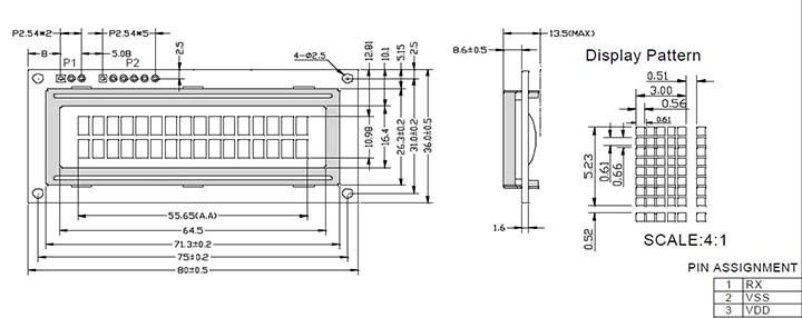
1.1. LCM162K3-FG จอแสดงผลขนาด 16×2 ขนาดตัวอักษร ตัวอักษรสูง 5.23 มม.


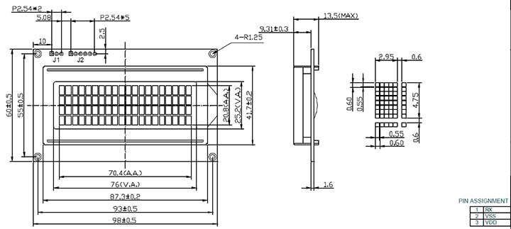
1.2. LCM162S3-FG จอแสดงผลขนาด 16×2 ขนาดตัวอักษรใหญ่พิเศษ ตัวอักษรสูง 9.55 มม.


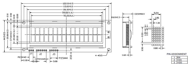
1.3. LCM202D3-FG จอแสดงผลขนาด 20×2 ขนาดตัวอักษร ตัวอักษรสูง 5.55 มม.

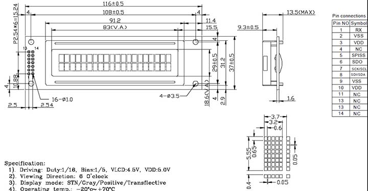
1.4. LCM204D3-FG จอแสดงผลขนาด 20×4 ขนาดตัวอักษร ตัวอักษรสูง 4.75 มม.

2. ตำแหน่งขาสัญญาณ
ตำแหน่งขาสัญญาณ และ ขั้วต่อสายสำหรับจอแสดงผลนี้ แม้ว่าจะใช้สายสัญญาณน้อย แต่การต่อขั้สที่ไม่ถูกต้องอาจส่งผลถึงความเสียหายกับจแแสดงผลได้ทันที เนื่องจากจอแสดงผลแต่ละรุ่นมีตำแหน่งขั้วเทอร์มินัลที่แตกต่างกัน ดังนี้
2.1. รุ่น LCM162K3-FG

2.2. รุ่น LCM162S3-FG

2.3. รุ่น LCM202D3-FG

2.4. รุ่น LCM204D3-FG

3. คำสั่งในการควบคุมจอแสดงผลนี้มีอยู่ทั้งหมด 23 คำสั่ง ดังนี้
จอแสดงผลรุ่นนี้มีการใช้งานง่าย เมื่อเริ่มจ่ายไฟให้กับจอแสดงผล ก็พร้อมสำหรับการรับข้อมูลผ่านพอร์ตอนุกรม เพื่อแสดงผลได้ทันที ซึ่งจะเริ่มแสดงผลที่บรรทัดแรก ตำแหน่งซ้ายมือสุด

